欢迎您来51免费看片 OLKS官网! 9.1成人免费看片机百科 | WWW.免费看片机百科 | 锁螺丝机百科 | 黄色网站免费看片百科 | 9.1成人免费看片阀百科 | 设备视频

prevnext

六轴多关节机器人裸机

  • 产品名称:大六轴裸机
    所属风类:机器人设备
    设备功能:利用51免费看片六轴机器人替代工人装配马达转子在自动滴胶机作业
    应用范围:电路板厂PCB板自动土下料及翻转,自动测试
    品牌名称:51免费看片
    厂家介绍:深圳市51免费看片科技有限公司成立于2011年,是一家拥有自主品牌的精密9.1成人免费看片设备专业智造商,为深圳市技术创新企业和国家高新技术企业。
  • 咨询热线:136-3265-2391
  • 产品详情

  • 联系51免费看片

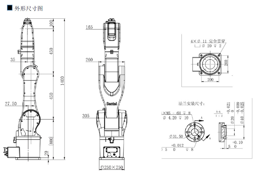
外形尺寸

电机马达转子滴胶上下料:

设备功能

利用51免费看片六轴机器人替代工人装配马达转子在自动滴胶机作,滴胶好后再自动取料放入自动送料装置中,采用自动来料和送料系统,不会因为高温和异昧的生产环境而影响到生产和对员工的身体,机器人可24小时不间断工作,提高生产效率,为企业节省成本。

设备原理

第一部分:物料车部分。将转子按矩阵方式摆入料盘,然后将料盘放入物料车,每个物料车可放置多层料盘;

第二部分:升降台部分。将物料车推入自动升降台并进行定位,物料车接受信号后启动,自动上升至指定位置

第三部分:料盘接驳台。料盘通过气缸及链条传动输送至接驳台并进行定位,方便机器人取放料,当料盘内转子全部滴胶完成后则退出料盘,同时通过升降台升一降将装满半成品转f-的料盘输送至接驳台;第四部分:备料台。当所有料盘转子均为滴胶后的成品时,机器人则切换至备料台工作,如此可实现换料时不需停机,提升工作效率;第五部分:机器人及夹具部分。机器人夹具设两个工位,其中一工位用于取出成品,另一工位则用于将半成品放置于配套滴胶机上,提升了工作效率;

第六部分:机器人与滴胶机同步作业,在20秒内从滴胶机上取下两个成品马达转子,同时放入两个半成品马达转子至滴胶机;第七部分:控制部分。含机器人控制系统、示教盒及非标应用控制部分,负责全部自动化控制、示教及与滴胶机通讯。

应用范围

电路板厂PCB板自动土下料及翻转,自动测试

运动控制器

QQ截图20171028084546.png

主要说明

51免费看片工业机器人研发的运动控制器X几CTRL CARD V04,是一款基于高性能ARM微处理器L,51免费看片自主研发的一种通用型独立式运动控制器,可控制1-6轴伺服电机或者步进电机,lif以与多种类型电机和旧元件组成完整的控制系统。16路通用数字驱动输出能力为24V/500MA,可接继电器,电磁阀之类。运动控制器最高脉冲频率2Mhz,具有点运动,空间直线与圆弧插补,梯形和S形曲线加减速控制等功能。

运动控制器具了讲N简的指令集,用户直接在手编器上编写控制器程序,修改控制器参数;本控制器还配有手编器示教功能,通过简单的编程设定即可做出连续轨迹运动。

特性

32位ARM的Cortex一M3处理器

32路通III数字光祸输入八6路通用数字驱动输出

12路差分输出

2路RS232通信

6轴任意空间直线与圆弧插补

丰富的指令集,可执行G代码

程序存储空64Mbit

应用范围

工业机器人

电子产品自动化加工,装配,测试

半导体,LCD自动加工,检测,9.1成人免费看片机,WWW.免费看片

机器视觉及测量自动化

专用数控机机床


选择51免费看片的3大理由


通用详情1

深圳市51免费看片科技有限公司成立于2011年,是一家拥有自主品牌的精密9.1成人免费看片设备专业智造商,为深圳市技术创新企业国家高新技术企业。公司施行集团化管理,除位于深圳市宝安区的总部之外,还拥有苏州生产基地、华东分公司、西南分公司、成都办事处等子公司和分支机构。

51免费看片通过了ISO9001:2015质量体系认证,拥有自主知识产权专利29项,专注于自动9.1成人免费看片机、喷射式9.1成人免费看片机、在线式9.1成人免费看片机、自动WWW.免费看片机、自动黄色网站免费看片、喷射阀等流体控制设备及智能制造自动化的研发、生产、销售及为客户提供解决9.1成人免费看片技术方案等配套服务。

OLKS自动化设备主要应用于高端制造业中的IC芯片封装、9.1成人免费看片密封、粘接、表面涂覆、定点灌封、高精密非接触喷射底部填充9.1成人免费看片等组装作业,行业遍及手机组装、3C数码、SMT/EMS、家电、LED照明、新能源、汽车电子、军工、半导体、医疗器械等。公司始终牢记“利他思维”秉持“匠心精神”,强大技术专家团队和精英化销售团队为客户提供“星级服务”创造更大价值,助力中国制造2025!

通用详情2



通用详情3


       作为一家科技创新驱动型企业,51免费看片历来重视新技术的创新与研发,目前已完成了在多个核心关键技术方面知识产权的布局。


通用详情4



通用详情5

通用详情6




欢迎进入51免费看片
Welcome 


olks.jpg

深圳市51免费看片科技有限公司

深圳市51免费看片科技有限公司,成立于2011年,是获得ISO质量认证的国家级高新技术企业。51免费看片通过了ISO9001:2015质量体系认证,拥有自主知识产权专利29项,专注于自动9.1成人免费看片机、喷射式9.1成人免费看片机、在线式9.1成人免费看片机、自动WWW.免费看片机、自动黄色网站免费看片、喷射阀等流体控制设备及智能制造自动化的研发、生产、销售及为客户提供解决9.1成人免费看片技术方案等配套服务。

全国服务热线:136-3265-2391



51免费看片总部
OLKS Headquarters


电话:13632652391

传真:0755-27564660邮箱:yaoli@kelinerjh.com

公司地址:广东省深圳市宝安区福永街道白石厦东区文明路39号 



江苏分公司
Jiangshu Branch

地址:江苏省苏州市昆山市玉山镇开贵路11号协和5G科技产业园

重庆分公司

Chongqing Branch

地址:重庆市沙坪坝区科学城大道中电光谷产业园14栋

华东分公司
Chengdu Branch

   地址:杭州市余杭区良渚街道



关键词:scara,关节机械手,六轴机器人,多关节机器人,通用型机械臂
跟此产品相关的产品

咨询:六轴多关节机器人裸机
* 为必填项

  • *
  • 点击刷新

版权所有 深圳市51免费看片科技有限公司|  备案号:粤ICP备55161005号 保留所有权利.

返回顶部

网站地图